地址:江蘇省準安市淮陰工業園區錢江東路19號
聯系人:田先生
手機:13905236011
電子郵件:nora@sjhydraulic.com
基本設計
外嚙合齒輪泵是現代液壓系統中最常用的泵。
它們的特點是多功能性、強度和使用壽命長。
結構簡單,確保有限的采購成本和維修。由于那里的基本概念,以及不斷改進的產品設計和功能,基于多年經驗的研究,材料選擇的正確性,生產過程的詳細說明以及對批量生產零件的測試,我們的齒輪泵已達到高質量標準。
因此,我們的產品可以在繁重的操作條件下工作并傳輸高液壓動力。此外,SJ-TECHNOLOGY齒輪泵具有良好的液壓,機械和容積效率,低噪音杠桿以及緊湊的尺寸。
SJ科技齒輪泵進一步開發了自己的產品系列,推出了名為GPM的新系列泵,其中1P,1A,GPM0.0,GPM1.0,GPM2.0,GPM2.6,GPM3.0適用于工業,移動,海洋和航空航天行業中最不同的應用。
通常,這些齒輪泵通常由兩個鋁襯套支撐的齒輪副,一個主體,一個固定法蘭和一個蓋子組成。突出在法蘭之外的驅動齒輪軸安裝了一個雙唇密封環(內唇是密封件,外唇是防塵密封)。彈性固定環將環固定到位。泵體由通過擠壓工藝獲得的特殊耐高溫鋁合金制成,而法蘭和蓋子由球墨鑄鐵制成,以確保即使在高壓下,無論是連續還是間歇或峰值壓力,變形也最小。
齒輪由特殊鋼制成。他們的制造過程經過研磨和精加工,因此具有高度的表面,確保泵運行期間的低脈動桿和低噪音桿。
軸套由特殊的低摩擦和高抗性鋁合金制成,由壓鑄制成。此外,它們還配備了減摩DU軸承。
襯套上的特殊補償區由帶有防擠壓環的特殊預成型密封件絕緣,允許全部自由的軸向和徑向運動到襯套,這與泵的工作壓力成正比。通過這種方式,內部滴漏大大減少,從而確保非常好的泵性能(無論是在體積方面還是在一般方面)和泵運動部件的適當潤滑。

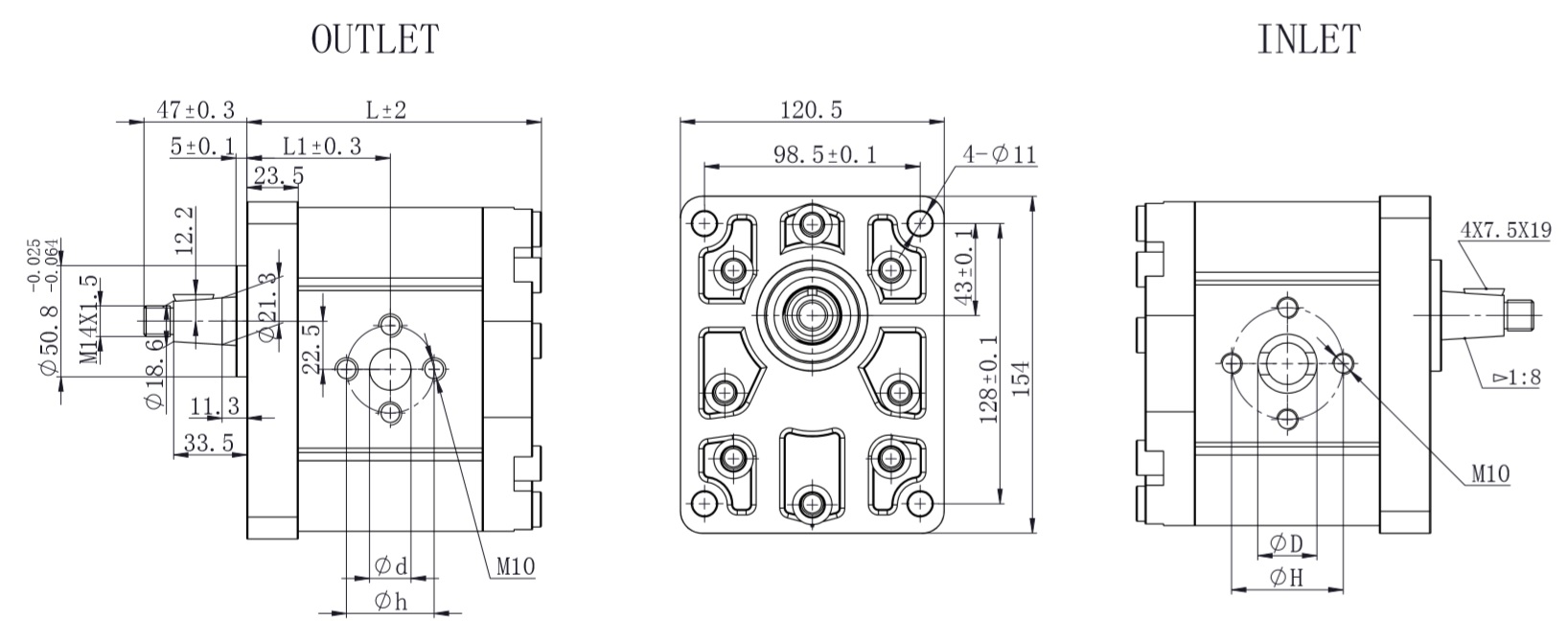
M10螺紋深度18mm。
安裝泵,n.8 M10 螺釘,
扭矩扳手設置固定在 47±3Nm。
軸 M14X1.5 螺母,扭矩扳手設置固定在 80Nm。
|
型 型號 |
位移 |
1500rpm時的流量 |
壓力 壓力(bar) |
速度 轉速 (轉/分鐘) |
尺寸尺寸(毫米) |
||||||||
|
排量 (立方厘米/轉) |
額定 額定 |
峰 高 |
額定 額定 |
麥克斯 高 |
最小值 |
L1 |
L |
D |
d |
H |
h |
||
|
GPM3FC016B01 |
16 |
24 |
200 |
270 |
2000 |
3500 |
600 |
57.5 |
116.5 |
24 |
19 |
51 |
51 |
|
GPM3FC020B01 |
20 |
30 |
200 |
270 |
2000 |
3500 |
600 |
58.8 |
119 |
24 |
19 |
51 |
51 |
|
GPM3FC025B01 |
25 |
37.5 |
200 |
270 |
2000 |
3000 |
600 |
60.5 |
122.5 |
27 |
19 |
56 |
56 |
|
GPM3FC028B01 |
28 |
42 |
200 |
270 |
2000 |
3000 |
600 |
62 |
125.5 |
27 |
19 |
56 |
56 |
|
GPM3FC032B01 |
32 |
48 |
200 |
260 |
2000 |
3000 |
600 |
63 |
127.5 |
27 |
19 |
56 |
56 |
|
GPM3FC040B01 |
40 |
60 |
160 |
250 |
2000 |
2800 |
600 |
66.5 |
134.5 |
27 |
19 |
56 |
56 |
|
GPM3FC046B01 |
46 |
69 |
160 |
230 |
2000 |
2800 |
600 |
68.8 |
139 |
27 |
27 |
56 |
56 |
|
GPM3FC050B01 |
50 |
75 |
160 |
210 |
1500 |
2800 |
600 |
70 |
141.5 |
33 |
27 |
56 |
56 |
|
GPM3FC052B01 |
52 |
78 |
150 |
200 |
1500 |
2500 |
600 |
71 |
143.5 |
33 |
27 |
56 |
56 |
|
GPM3FC055B01 |
55 |
82.5 |
140 |
200 |
1500 |
2300 |
600 |
72 |
145.5 |
33 |
27 |
56 |
56 |
|
GPM3FC063B01 |
63 |
94.5 |
140 |
180 |
1500 |
2300 |
600 |
74 |
149.5 |
33 |
27 |
62 |
51 |
|
GPM3FC066B01 |
66 |
99 |
140 |
180 |
1500 |
2000 |
600 |
76.3 |
154 |
33 |
27 |
62 |
51 |
|
GPM3FC080B01 |
80 |
120 |
140 |
160 |
1500 |
2000 |
600 |
81.5 |
164.5 |
33 |
27 |
62 |
51 |